
| 施工周期 | 1个月左右 | 施工地点 | 全国范围均可 | 施工面积 | 0-1000㎡ |
|---|---|---|---|---|---|
| 净化级别 | 百级洁净室、千级洁净室 | 净化标准 | 《医药工业洁净厂房设计规范》 | 净化方式 | 垂直层流净化 |
| 车间湿度 | 20℃-26℃ | 车间温度 | 45-60% | 车间噪音 | - |
按照目前国内GMP标准,在细胞培养环境中,核心功能区的洁净度等级应达到C级,局部达到100级(通过生物安全柜可以达到100级)。干细胞实验室净化工程一般采用垂直层流净化的形式,其气压取决于其不同的区域的清洁度和新风回风量的要求。因此需要空调系统必须稳定可靠的运行,采用先进的启动运行技术,合理利用和节约能源资源,确保实验室内环境质量和生物安全,为实验者提供所需的温度和湿度,保证干细胞实验在安全的条件下进行,以保证实验结果的准确。
▲干细胞实验室各区域温湿度设计参数表
▲干细胞实验室各区域空气净化级别设计参数表
干细胞实验室包含以下功能领域
1、核心功能区:如细胞制备间,样本接收室、干细胞制备室、配液室、检验室、干细胞存储室等;
2、准备缓冲区:如Ⅰ更、Ⅱ更衣室、缓冲室、准备室等;
3、细胞储存区:如冷冻室、细胞存储区域(冻存室)、医疗垃圾存放室等;
4、辅助功能区:如消毒清洗室、预处理功能室等(应标识洁净和风险级别)。
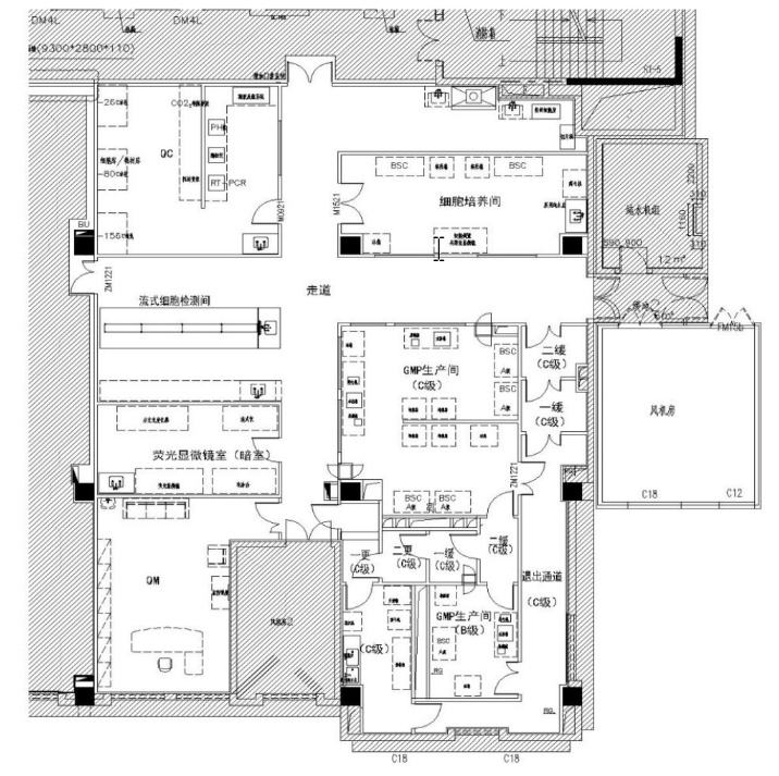
▲干细胞实验室平面布局图

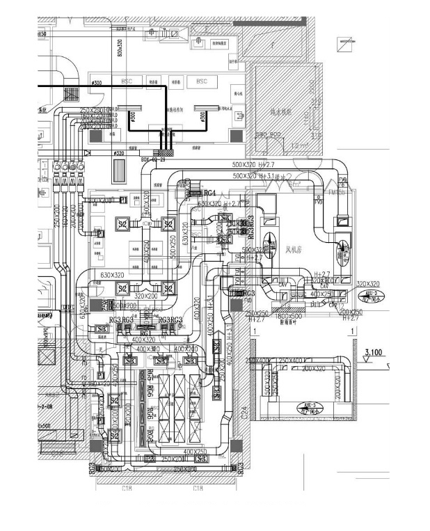
▲干细胞实验室净化空调系统布局图
常用设备:生物安全柜、CO2培养箱、离心机、倒置显微镜、移液器、液氮罐、冰箱、水浴箱等
培养设备:培养瓶,培养板,培养皿,离心管和金属器具。
1、补偿室内排风量和保持室内正压所需新风量之和;
2、室内每人新风量不应小于40m3/h。
干细胞实验室的送风量,首先按照换气次数计算送风量,万级净化区取换气次数为25h-1,10万级净化区取换气次数为15h-1,30万级净化区取换气次数为10h-1,因此送风量均按换气次数确定。

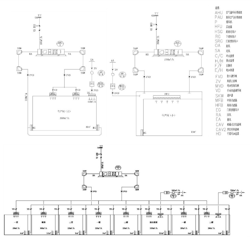
▲干细胞实验室空调设计原理
1、自测
施工完成后需要进行调试及自测工作,其中高校过滤器安装后的检漏工作非常重要,高校过滤器在运输和安装过程中可能造成损坏,或者安装不到位都可能造成泄漏,所有安装后需进行在线DOP扫描检测,检测合格后,才能检测房间的洁净度。如果不对过滤器进行DOP扫描检测,可能存在高效泄漏而房间洁净度不达标的情况,造成潜在的医疗感染风险。
2、第三方检测
第三方检测主要包括:检测温度、相对湿度、静压差、换气次数、照度,检验依据GB相关条款:检测尘粒大允许数,检验依据GB/T相关条款。
根据检测结果表明,实验室洁净区的检测项目符合药品生产质量管理规范(2010年修订)的相应固定。
▲广东干细胞实验室净化工程案例
▲干细胞检验检测实验室

▲干细胞实验室净化工程

▲山东干细胞实验室净化工程
1、24小时内勘察现场
确定需求后,24小时内设计团队前往工地勘察现场,测量,记录车间数据,为设计做基础数据累计。
2、项目沟通出局方案
与项目负责人面对面沟通,确定项目用途,设备数量,存在问题等信息。出局具体的施工方案。
3、免费提供设计
确定现场尺寸,用途,设备信息后,由具有十五年专业工程设计人员,进行车间内部布局设计和规划。免费提供净化设计。
4、一站式施工服务
可为多行业企业客户,提供净化施工,维修,安装等专业净化工程服务。可提供高效率,高性价比的如净化灯、风淋室、传递窗灯专业净化设备。实现一站式施工服务,无需多方购买。
5、免费检验检测
施工结束后,可提供一次由康瑞鑫专业检测团队提供的免费检测服务,运用专业检验检测设备,综合检测空气质量,菌落含量,温湿度情况等检验检测项目。确保第三方检测验收一次性通过。
为了让大家能够更了解康瑞鑫净化公司,接下来为大家简单介绍一下拥有二十年的老牌净化工程公司——山东康瑞鑫净化工程公司
创世红海现拥有建设厅颁发的贰级,叁级资质,专业承接各级别的车间净化工程项目!公司致力于空气净化工程的改善以及外表的装饰,从客户需求出发,精心设计,严格施工,在全国各大城市均设有分支机构,为客户提供方便周到专业的技术支持和售后服务。
创世红海,拥有行业内全套的净化资质,其中包含环保工程专业承包,机电工程总承包,建筑装饰装修工程专业承包等。注册资金高达2000万,可放心选择。
联系方式
联系人:创世红海
电子邮箱:krxjiejing@163.com
官方网址:www.sd-krx.com
联系地址
公司地址:山东省青岛市城阳区恒大御澜国际32号楼1单元8楼
工厂地址:青岛市城阳区洼里工业园富民路中段

联系电话
微信扫一扫
返回顶部
Copyright 2005-2016 创世红海 ALL Rights Reserved